Под заказ
0,00 Р
Производитель:
RHP
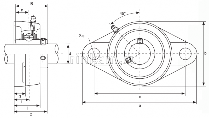
UCFL 204 импорт RHP (UCFL 204.D1) (фир.RHP)
Поделиться:
Производитель: RHP
Единица измерения: Штука
Соответствует ГОСТ: ISO: Подшипники. Международный стандарт
d внутренний диаметр, мм: 20
D наружний размер, мм: 113
B ширина, мм: 33,3
По типу трения: качения
По рядности: 1рядный
По конструкции: шариковый радиальный
По сепаратору: с сепаратором
По особенностям: с выст. внутр. кольцом в 2 стороны, со сферич. наруж. кольцом, фиксация резьб. штифтами, в корпусе
Защита герметичности: 2RS контактные NBR уплотнения
Вам может понравиться
Подшипник
