Под заказ
0,00 Р
Производитель:
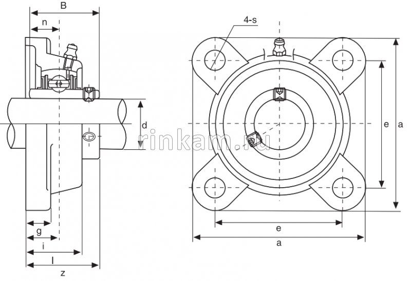
UCF 312 CRAFT
Поделиться:
Производитель: CRAFT
Единица измерения: Штука
Соответствует ГОСТ: ISO: Подшипники. Международный стандарт
d внутренний диаметр, мм: 60
D наружний размер, мм: 195
B ширина, мм: 78
По типу трения: качения
По рядности: 1рядный
По конструкции: шариковый радиальный
По сепаратору: с сепаратором
По особенностям: с выст. внутр. кольцом в 2 стороны, со сферич. наруж. кольцом, фиксация резьб. штифтами, в корпусе
Защита герметичности: 2RS контактные NBR уплотнения
Вам может понравиться
Подшипник
